なにはともあれ、平成27年度下期の問題と解答を試験センターから入手してください。
問題1.一般問題 (問題数30、配点は1問当たり2点)
【注】本問題の計算で√2、√3、及び円周率πを使用する場合の数値は次によること。√2=1.41、√3=1.73、π=3.14
次の各問いには4通りの答え(イ、ロ、ハ、ニ)が書いてある。それぞれの問いに対して答えを1つ選びなさい。
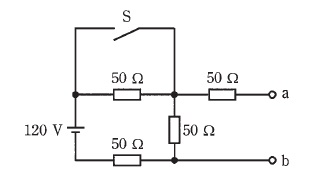
1.図のような回路で、スイッチSを閉じたとき、a-b端子間の電圧〔V〕は。
便宜上4個の50Ωの抵抗を上左、上右、中縦、下と呼ぶ。スイッチを閉じると上左の抵抗は短絡されて電圧がかからなくなる。a-bも断線しているので電流は流れず、上右の抵抗にも電圧はかからない(電圧降下はない)。つまり、中縦と下の2つの抵抗の直列回路において、中縦の抵抗にかかる電圧が問われている。120Vを抵抗比に按分すればよい。正解はニの60V。
2.コイルに100V、50Hzの交流電圧を加えたら6Aの電流が流れた。このコイルに100V、60Hzの交流電圧を加えたときに流れる電流〔A〕は。
ただし、コイルの抵抗は無視できるものとする。
コイルの誘導性リアクタンスが周波数に比例することを知っていれば、直感で5Aといけると思う。正解はロ。
3.抵抗率ρ〔Ω・m〕、直径D〔mm〕、長さL〔m〕の導線の電気抵抗〔Ω〕を表す式は。
「抵抗は抵抗率と長さに比例して断面積に反比例する」というのを数式で表現するとどうなるかという問題。ただし馬鹿正直に導出する必要はない(それは教科書の仕事)。
長さに比例なので、L^2のロとニは除外。断面積は2乗に比例するので正解はイと解る。
4.電熱器により、60kgの水の温度を20K上昇させるのに必要な電力量〔kW・h〕は。
ただし、水の比熱は4.2kJ/(kg・K)とし、熱効率は100%とする。
見るからに面倒そうな問題だが実際はそうでもない。
まず、必要な熱量〔kcal〕の計算。これはただの掛け算。60 * 20〔kcal〕
次いで、〔kcal〕を〔kJ〕へ。ここが比熱として与えられているのがミソといえばミソだが、単位を眺めてやればここもただの掛け算とわかる。60 * 20 * 4.2〔kJ〕
最後に〔kJ〕を〔kW・h〕へ。〔kJ〕=〔kW・s〕。1時間は3600秒、つまり、1〔s〕=1/3600〔h〕。つまり最後も掛け算。60 * 20 * 4.2 * 1/3600。まあ最後のは3600で割り算と見てもいいけど。
幸い上手く約分できて、正解はハの1.4。
5.
これは公式通り。Y結線なので相電流と線電流は等しく、相電圧は線間電圧の1/√3。なので1相で考えて相電流を求めればいい。正解はロ。
6.図のような単相2線式回路で、c-c'間の電圧が99Vのとき、a-a'間の電圧〔V〕は。
ただし、rは電線の抵抗〔Ω〕とする。
縦の部分の電流値が与えられているのがミソ、というかヒッカケである。
左側上下二つの0.1Ω部分には10+10で20A流れている。つまり、回路一回りの電圧降下の合計は、20 * 0.1 + 10 * 0.1 + 10 * 0.1 + 20 * 0.1 = 0.6〔V〕。正解はニ。
7.図のような単相3線式回路で、電線1線当たりの抵抗が0.1Ω、抵抗負荷に流れる電流がともに20Aのとき、この電線路の電力損失〔W〕は。
8.金属管による低圧屋内配線工事で,管内に直径2.0mmの600Vビニル絶縁電線(軟銅線)5本を収めて施設した場合、電線1本当たりの許容電流〔A〕は。
ただし、周囲温度は30℃以下、電流減少係数は0.56とする。
ご丁寧に電流減少係数が書いてあるので、1本あたりの許容電流がわかれば正答できる。正解はロ。
1.6mm(27A)、2.0mm(35A)、2.6mm(48A)、5.5mm2(49A)くらいまでは覚えておきたい。
9.図のように定格電流60Aの過電流遮断器で保護された低圧屋内幹線から分岐して、10mの位置に過電流遮断器を施設するとき、a-b間の電線の許容電流の最小値〔A〕は。
数字がうろ覚えだと、ロとニで悩むことになる。
分岐回路の過電流遮断器の位置
・原則 3m以内
・電線の許容電流が幹線の過電流遮断器の55%あればどこでもよい
・電線の許容電流が幹線の過電流遮断器の35%あれば 8m以内
正解はニ。
10.低圧屋内配線の分岐回路の設計で、配線用遮断器、分岐回路の電線の太さ及びコンセントの組合せとして、適切なものは。
ただし、分岐点から配線用遮断器までは3m、配線用遮断器からコンセントまでは8mとし、電線の数値は分岐回路の電線(軟銅線)の太さを示す。
また,コンセントは兼用コンセントではないものとする。
頻出問題。
配線用遮断器の定格を超える定格の器具は付けられない、が大原則。
さらに、30Aには15A以下のコンセントは付けられない、30Aには2.6mmの電線が必要と、30Aには独自ルールあり。これを踏まえていれば、本問の正解はロとわかる。
11.低圧電路に使用する定格電流が20Aの配線用遮断器に25Aの電流が継続して流れたとき、この配線用遮断器が自動的に動作しなければならない時間〔分〕の限度(最大の時間)は。
個人的には「そっちかよ」と思った出題。
定格20Aに25Aだから定格電流の1.25倍の方で、こちらは50A以下なら60分以内、50Aを超えて600A以下なら120分以内の二択。正解はハ。
面倒なのは定格電流の2倍の方で、こちらは30A以下(2分以内)、30Aを超え50A以下(4分以内)、50Aを超え100A以下(6分以内)、100Aを超え225A以下(8分以内)、225Aを超え400A以下(10分以内)、400Aを超え600A以下(12分以内)に区分けされている。まあ、こっちが出たら多分みんなできないからね。
12.ノックアウトパンチヤの用途で、適切なものは。
実務経験がなくて、これを予め知っていた受験生はよく勉強していて立派と思います。
ほとんどの方は、イはベンダー、ハはドリル、ニは圧着工具、、、と消去法でなんとかしたことでしょう。正解はロ。
13.定格周波数60Hz、極数4の低圧三相かご形誘導電動機における回転磁界の同期速度〔min-1〕は。
120f/pを覚えていれば一発。正解はハ。
14.蛍光灯を、同じ消費電力の白熱電灯と比べた場合、正しいものは。
これは常識でなんとかなると思う。白熱電球→電球型蛍光灯→LED電球が省エネの流れ。同じ明るさで消費電力が少ないからこそ省エネになる。正解はニ。
15.力率の最も良い電気機械器具は。
抵抗負荷以外のものが入れば力率は下がる。つまり熱器具の力率は良い(エネルギー効率は良いとは言い難いが)。原動機を搭載している洗濯機や冷蔵庫は論外、LEDランプの制御にはコイルやコンデンサが多分入っている。正解はイ。No.14と微妙に関連する。
16.写真に示す測定器の用途は。
これはそのものずばりである。正解はイ。電極を3つ使う測定器具はあまりない。
ヘンなところが親切で、No.25では使用方法が問われている。
17.写真に示す工具の用途は。
時々出題される。正解はニ。
18.写真に示す材料の名称は。
なお、材料の表面には「タイシガイセンEM600V EEF/F 1.6mm JIS JET
写真を見れば平型ケーブルであることはわかる。あとは「タイシガイセン(=耐紫外線)」と「タイネン(=耐燃)」から当たりをつける。正解はニ。
19.600Vビニル絶縁ビニルシースケーブル平形1.6mmを使用した低圧屋内配線工事で、絶縁電線相互の終端接続部分の絶縁処理として、不適切なものは。
ただし,ビニルテープはJISに定める厚さ約0.2mmの絶縁テープとする。
ニがよくある引掛けで、これは○。あとはイロハを比べればハを選べると思う。不適切なのはハ。
20.木造住宅の単相3線式100/200V屋内配線工事で、不適切な工事方法は。
ただし、使用する電線は600Vビニル絶縁電線、直径1.6mm(軟銅線)とする。
こういうのはある程度覚えていないとどうしようもないが、全部を細かく記憶するのは現実的ではない。支持点間は狭い分にはOK、金属管工事とケーブル工事は大抵の場所でOKの二つでもかなり選択肢を絞れる。不適切なのはニ。
21.特殊場所とその場所に施工する低圧屋内配線工事の組合せで、不適切なものは。
これは不適切なものとしてハを選べると思う。金属線ぴ工事が可能な場所は限られる。
22.D種接地工事を省略できないものは。
ただし、電路には定格感度電流15mA、動作時間0.1秒以下の電流動作型の漏電遮断器が取り付けられているものとする。
素直に水気のある場所では設置工事が必要と考えればよい。正解はロ。
23.100Vの低圧屋内配線に、ビニル平形コード(断面積0.75mm2)2心を絶縁性のある造営材に適当な留め具で取り付けて、施設することができる場所又は箇所は。
ケーブルではなく「コード」なのがミソ。コードなので、施設可能場所は相当限られる。正解はイ。
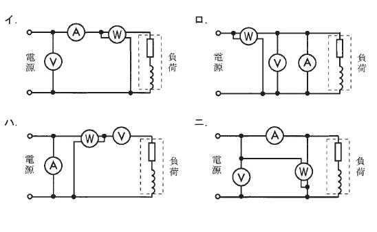
24.単相交流電源から負荷に至る回路において、電圧計、電流計、電力計の結線方法として、正しいものは。
電流計は直列、電圧計は並列の原則だけでもイとニに絞れる。あとは電力計が直並列を知らなくても、なんとなく不自然なニは選ばないと思う。正解はイ。
25.直読式接地抵抗計を用いて、接地抵抗を測定する場合、被測定接地極Eに対する、2つの補助接地極P(電圧用)及びC(電流用)の配置として、最も適切なものは。
No.16の器具の使い方を問う親切な?出題。実は問題文の順にEPCと並べて使うのが正解という大変親切な出題である。正解はハ。
26.回路計(テスタ)に関する記述として、正しいものは。
実物を扱ったことがあれば解答は容易。イは明らかに×、ロおよびニもちょっと考えれば×で、正解はハ。
27.一般用電気工作物の低圧屋内配線工事が完了したときの検査で、一般的に行われている検査項目の組合せとして、正しいものは。
すべての選択肢に目視点検と導通試験は入っているので、残り二つが問われている。
感覚的に温度上昇試験はないだろう。あとは接地抵抗か絶縁耐力かであるが、絶縁耐力試験が高圧電路に関する試験であることを知っていれば正答できる。正解はロ。
28.電気工事士法において,一般用電気工作物の工事又は作業で電気工事士でなければ従事できないものは。
29.電気用品安全法の適用を受ける次の配線器具のうち、特定電気用品の組合せとして、正しいものは。
ただし、定格電圧、定格電流、極数等から全てが「電気用品安全法」に定める電気用品であるとする。
ある程度知らないとどうしようもないが、実際に何をどこまで覚えておくかは悩ましいところ(特定電気用品116品目、特定電気用品以外の電気用品341品目)。
常時電圧がかかる機器は特定電気用品というのが原則。なのでスイッチの多くは特定電気用品になる。しかし、本問に出てくる「カバー付きナイフスイッチ」と「電磁開閉器」は特定電気用品ではない。他、リモコンリレー、カットアウトスイッチ、分電盤ユニットスイッチは特定電気用品ではない。ライティングダクトも特定電気用品ではない。正解はニ。
30.一般用電気工作物に関する記述として、正しいものは。
ただし、発電設備は電圧600V以下とする。
頻出問題。ただし、問題文はわざと分かり難く書いているように感じられる。
上から読んでいけばイは正しく、ロは50kW以下でないとダメと解る。
問題はハとニ。両方を読むと逆のことが書いてあるので、どちらか一方は正しいかのように一瞬錯覚させられる。しかし言うまでもなく、高圧受電の一般用電気工作物などあり得ないのでどちらも間違い。正解はイである。
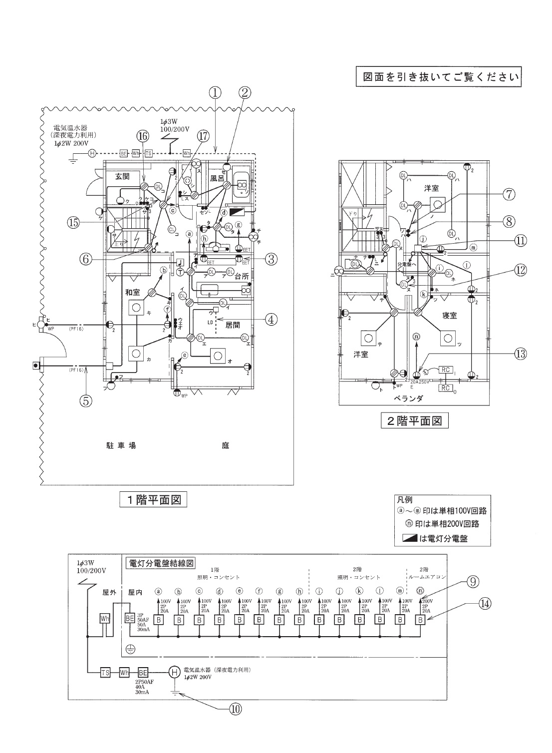
問題2.配線図(問題数20、配点は1問当たり2点)
図は、木造2階建住宅の配線図である。この図に関する次の各問いには4通りの答え(イ、ロ、ハ、ニ)が書いてある。それぞれの問いに対して、答えを1つ選びなさい。
【注意】
31.①で示す部分の工事方法として、適切なものは。
木造建築物の引き込み口配線の屋側部分なので、金属は使用できない。正解はニ。
32.②で示す図記号の器具の取り付け位置は。
これは基本。他のも覚えておく必要あり。正解はロ。
33.③で示す図記号の器具の種類は。
これも基本。少なくとも上の3つは覚えておく必要あり。正解はロ。
34.④で示す図記号の名称は。
LD=LightingDuctね。正解はハ。
35.⑤で示す部分の小勢力回路で使用できる電圧の最大値〔V〕は。
これも基本。正解はニ。
36.⑥で示す図記号の名称は。
これも基本。正解はロ。
37.⑦で示す部分の最少電線本数(心線数)は。
ただし、電源からの接地側電線は、スイッチを経由しないで照明器具に配線する。
今年のここ何本?はずいぶん易しい出題である。これならば複線図を書くまでもない。
⑦の先には普通のスイッチが二つだけ。よってこの部分の電線は、スイッチへの給電線1本と各スイッチからの戻り線各1本の計3本のみ。正解はロ。
38.⑧で示す図記号(◆)の名称は。
これは知らないとどうしようもない。正解はハだそうだ。
ただ、通常のスイッチ●ではないのでイを除外、調光器には矢印が付いているのを知っていれば、ワイドハンドルを知らなくても消去法でハを選べる、、、かも知れない。
39.⑨で示す部分の電路と大地間の絶縁抵抗として、許容される最小値〔MΩ〕は。
200Vだから0.2MΩ…とやると見事にトラップに引っ掛かる。この200Vは単相3線式の200Vなので、対地電圧150V以下の電路である。従って0.1MΩでOK。正解はイ。
40.⑩で示す部分の接地工事の種類は。
接地工事の種類も基本事項。正解はニ。
電工二種の配線図問題に300Vより大きい電圧で使用する機器が出題される可能性は低いので、ほぼD種接地工事決め打ちでいけると思う。保証はしないが。
41.⑪で示す図記号のものは。
今年はジョイントボックスの当たり年。普通のアウトレットボックスを選べばよい。正解はイ。
42.⑫で示す図記号の器具は。
DL=DownLightもよく出題される。他の器具の図記号も押さえるべし。正解はロ。
43.⑬で示す図記号の器具は。
たまに出題されるコンセントの問題。これは知らないとどうしようもない。正解はニだそうだ。
44.⑭で示す図記号の器具は。
普通の配線用遮断器を選べばよい。普通のというか「ただの」なので漏電遮断器付きのロとニは除外。あとは電圧を見て100V用のイを除外。正解はハ。
45.⑮で示す部分の配線工事に必要なケーブルは。
ただし、使用するケーブルの心線数は最少とする。
今年のここ何本?は、実はこちらの3問(No.45,46,47)が本命。出題はそのものズバリではないけど。
No.45は前座で、複線図を書くまでもなく正答できる。ただしここを外すと後の2問は厳しい。
⑮の先にはジョイントボックスがあり、クの照明とスイッチ、ケの照明とスイッチ、コの照明1つとスイッチがある。コの照明は⑮の手前のジョイントボックスにもつながっている(ここがミソ)。よって通常の給電線2本とコのスイッチからのかえり線1本の計3本が必要である。正解はロ。
46.⑯で示すボックス内の接続をすベて差込形コネクタとする場合、使用する差込形コネクタの種類と最少個数の組合せで、適切なものは。
ただし、使用する電線はVVF1.6とし、ボックスを経由する電線は、すべて接続箇所を設けるものとする。
さすがに複線図を書かないと厳しいかもしれないが、一応理詰めでもできる。
No.45で検討したように、⑯には⑮から3本電線が来ている。接地側線はク、ケ、コの照明器具と接続されるので、少なくとも4口のコネクタが1つ必要(これでイ、ロの二択)。非接地側線はク、ケ、コのスイッチボックスへ配線されるので2口コネクタが1つ必要(スイッチ間はわたり線で処理)。クとケのスイッチからのかえり線とクとケの照明器具とが結線されるので2口コネクタがさらに2つ必要である。面倒なコを検討するまでもなく、この時点で選択肢はイ以外にあり得ない。
一応検証。コのスイッチは⑯につながるコの照明器具(DLの方)と⑰につながるコの照明器具(CLの方)へのかえり線(⑮から来ている3本のうちの一つ)と接続するので3口のコネクタが必要である。正解はイ。
47.⑰で示すボックス内の接続をすべて圧着接続とする時、使用するリングスリーブの種類と最少個数の組合せで、適切なものは。
ただし、使用する電線はVVF1.6とし、ボックスを経由する電線は、すべて接続箇所を設けるものとする。
さすがに複線図を書かないと厳しいかもしれないが、一応理詰めでもできる。No.46よりはやさしい。
⑰のボックスからは単線図上は5つの線が出ている。複線図上では、⑮の3本の線を除き、他はすべて2本の線である(給電線および器具への結線になる)。そして接続は3個、電源cからの接地側線、非接地側線の接続と、コの照明器具へのスイッチからのかえり線(⑮の3本のうちの1本)である。接地側線は5つのすべての線に含まれるので、1.6を5本接続しているリングスリーブがある。つまり中のスリーブが1つ以上必要であり、既に選択肢はハ一択となる。
一応検証。電源からの非接地側線はコの照明器具(CLの方)とは接続されない。つまり1.6を4本の接続になるのでスリーブは小。コは器具とスイッチの一対一の接続でスリーブは小。つまり小2中1で正解はハ。
48.この配線図で、使用されていないスイッチは。
ただし、写真下の図は、接点の構成を示す。
今回のウォーリィを探せ枠。幸いにしてスイッチは何種類も使われていない(●と●Lと●WPと●3と●Dと◆の6種類、、、結構あった^^;)ので楽勝?である。
遅延スイッチを知っているかどうかはともかくとして、とりあえず、イ、ハ、ニのスイッチ記号は書けたほうがいい。
イ、確認表示灯内蔵スイッチ、●L
ハ、3路スイッチ、●3
ニ、位置表示灯内蔵スイッチ、●H
ロの遅延スイッチ(●D)を知っていれば直接回答できるが、知らなくても、要はイとニが区別できれば正答できる。使用されていないのはニ。
49.この配線図の2階部分の施工で、一般的に使用されることのないものは。
2階部分では電線管を使った工事は行われていない。よってハ(塩ビカッター)は、一般的には使用されない。
イ(ケーブルストリッパー)、ロ(電工ナイフ)、ハ(圧着工具)はケーブル工事で一般的に使用される。
50.この配線図の施工で、一般的に使用されることのないものは。
この配線図では金属管工事は行われていない。よってロ(ねじなしカップリング)は、一般的には使用されない。
イ(ステップル)はケーブル工事で、ハ(合成樹脂管用ボックスコネクタ)はPF管工事で、ニ(日本間用スイッチボックス)は和室の工事で一般的に使用される。
