なにはともあれ、平成26年度下期の問題と解答を試験センターから入手してください。
問題1.一般問題 (問題数30、配点は1問当たり2点)
【注】本問題の計算で√2、√3、及び円周率πを使用する場合の数値は次によること。√2=1.41、√3=1.73、π=3.14
次の各問いには4通りの答え(イ、ロ、ハ、ニ)が書いてある。それぞれの問いに対して答えを1つ選びなさい。
1.消費電力が500〔W〕の電熱器を、1時間30分使用した時の発熱量〔kJ〕は。
〔W〕=〔J/s〕、1.5〔hr〕=1.5x60x60〔s〕、1000〔J〕=1〔kJ〕あたりを使う、基本的な計算問題。500 x 1.5 x 60 x 60 / 1000 = 2700 で、正解はニ。
第一問の正解が「ロ」以外の選択肢となったのは、実に数年ぶりである。
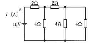
2.図のような直流回路に流れる電流I〔A〕は。
抵抗の直-並列回路の計算問題。右の4〔Ω〕二つが並列。この並列と右側の2〔Ω〕が直列になって、さらに左の4〔Ω〕と並列になる。ここと左側の2〔Ω〕が直列。言葉で書くと分かりにくいが、下のように書ければOK。

並列部分の合成抵抗はすべて4〔Ω〕と4〔Ω〕になり、計算が簡単になるように配慮されている。正解はハ。
もちろん、ループ毎に電流を仮定して網目電流法で行っても良い。ただし、三元連立一次方程式となるため、計算ははるかに面倒である。
16=2*i1+4*i1-4*i2=6*i1-4*i2 ...(1) 0=4*i2+2*i2+4*i2-4*i1-4*i3=-4*i1+10*i2-4*i3 ...(2) 0=4*i3+4*i3-4*i2=-4*i2+8*i3 ...(3) (2)*2+(3) -8*i1+20*i2-8*i3-4*i2+8*i3=-8i1+16*i2=-i1+2*i2=0 ...(4) (1)+(4)*2 16=6*i1-4*i2-2*i1+4*i2=4*i1 i1=4
3.直径2.6〔mm〕、長さ20〔m〕の銅導線と抵抗値が最も近い、同材質の銅導線は。
抵抗値は断面積に反比例し長さに比例する。
細すぎ長すぎのイと太すぎ短すぎのハは論外。しかし、ロとニの見極めのために断面積の計算が要るという出題である。
円の面積は半径×半径×円周率であることに気をつけて計算すると、直径2.6〔mm〕の銅導線の断面積は5.3〔mm2〕。正解はニ。
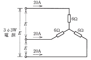
4.図のような三相負荷に三相交流電圧を加えたとき、各線に20〔A〕の電流が流れた。線間電圧E〔V〕は。
Y結線の基本的な問題。線電流と相電流は共通で20〔A〕、これから相電圧は20 x 60 = 120〔V〕。求めるのは線間電圧なので√3を掛ける。正解はハ。
5.単相200〔V〕の回路に、消費電力2.0〔kW〕、力率80〔%〕の負荷を接続した場合、回路に流れる電流〔A〕は。
有効電力=電圧×電流×力率の定義通りに計算するだけ。正解はニ。
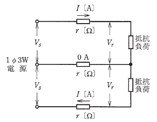
6.図のような単相3線式回路で、電線1線当たりの抵抗がr〔Ω〕、負荷電流がI〔A〕、中性線に流れる電流が0〔A〕のとき、電圧降下(Vs — Vr)〔V〕を示す式は。
図の通りの状態になっているならば、電圧降下は一線分のrI〔V〕となるはず。正解はイ。
7.図のような三相3線式回路で、線電流が10〔A〕のとき、この電線路の電力損失〔W〕は。
ただし、電線1線の抵抗は1〔m〕当たり0.01〔Ω〕とする。
単位は同じ〔W〕でも、負荷での消費電力と電線路での電力損失は考えかたがちょっと違うよ、、、という問題。
一線あたりの電線路の抵抗は 0.01〔Ω/m〕 x 20〔m〕= 0.2〔Ω〕。
よって一線あたりの電力損失は 10 x 10 x 0.2 = 20〔W〕
三線だから3倍して 20 x 3 = 60〔W〕。正解はニ。
8.図のような単相3線式回路で、消費電力100〔W〕、500〔W〕の2つの負荷はともに抵抗負荷である。図中の×印点で断線した場合、a-b間の電圧〔V〕は。
ただし、断線によって負荷の抵抗値は変化しないものとする。
断線前の方が難しかったかもしれない。断線後は単なる直列回路なので、抵抗比に分圧されることになる。正解はハ。
9.金属管による低圧屋内配線工事で、管内に直径2.0〔mm〕の600Vビニル絶縁電線(軟銅線)4本を収めて施設した場合、電線1本当たりの許容電流〔A〕は。
ただし、周囲温度は30 [°C]以下、電流減少係数は0.63とする。
ご丁寧に電流減少係数が書いてあるので、1本あたりの許容電流がわかれば正答できる。正解はロ。1.6mm(27A)、2.0mm(35A)、2.6mm(48A)、5.5mm2(49A)くらいまでは覚えておきたい。
10.低圧屋内配線の分岐回路の設計で、配線用遮断器、分岐回路の電線の太さ及びコンセントの組合せとして、適切なものは。
ただし、分岐点から配線用遮断器までは3〔m〕、配線用遮断器からコンセントまでは8〔m〕とし、電線の数値は分岐回路の電線(軟銅線)の太さを示す。
また、コンセントは兼用コンセントではないものとする。
頻出問題。
配線用遮断器の定格以上の定格の器具は付けられない、が大原則。
さらに、30Aには15A以下のコンセントは付けられない、30Aには2.6mmの電線が必要と、30Aには独自ルールあり。これを踏まえていれば、本問の正解はイとわかる。
11.低圧電路に使用する定格電流20〔A〕の配線用遮断器に40〔A〕の電流が継続して流れたとき、この配線用遮断器が自動的に動作しなければならない時間〔分〕の限度(最大の時間)は。
こういうのは憶えておくしかない^^;。しかし全部おぼえるのも現実的ではない^^;。正解はロ。
12.絶縁物の最高許容温度が最も高いものは。
こういうのは憶えておくしかない^^;;。しかし全部おぼえるのも現実的ではない^^;;。正解はニ。
13.極数6の三相かご形誘導電動機を周波数60〔Hz〕で使用するとき、最も近い回転速度〔min-1〕は。
これは同期回転速度の式 N = 120f / p を覚えていないとどうにもならない。正解はロ。
14.コンクリート壁に金属管を取り付けるときに用いる材料及び工具の組合せとして、適切なものは。
現物や実際の作業を見たことがないと、ちょっと迷うかも?そんなことはないか。
穴あけにドリル、金属管の支持にサドル、取付に木ねじ+カールプラグを使いなさいということらしい。正解はハ。
15.霧の濃い場所やトンネル内等の照明に適しているものは。
トンネルとある時点でほぼ一択。正解はイのナトリウムランプ。
16.写真に示す物の用途は。
ガイドワイヤーである。用途はもちろんハ。
17.写真に示す材料の用途は。
PF管を見たことがあれば、これが同じ材質であると解るはず。正解はイ。
18.写真に示す器具の用途は。
上に100V、下に24Vと書いてあって、どちらにも電線を取り付けられるようになっているので、おそらく変圧器であろうとアタリが付けられる。正解はニ。
19.低圧屋内配線工事で、600Vビニル絶縁電線(軟銅線)をリングスリーブ用圧着工具とリングスリーブE形を用いて終端接続を行った。接続する電線に適合するリングスリーブの種額と圧着マーク(刻印)の組合せで、適切なものは。
実技試験の練習を始めたら、真っ先に覚えなければならない事項。正解はロ。
20.特殊場所とその場所に施工する低圧屋内配線工事の組合せで、不適切なものは。
危ないところは金属かケーブルと覚えておくだけで、結構何とかなってしまう。正解は、つまり不適切なのはイ。
21.硬質塩化ビニル電線管による合成樹脂管工事として、不適切なものは。
案外面倒な問題。とりあえずニが正しいのは良いとして、イロハはちょっと迷うかも。
しかし、冷静に想像すれば、継ぎ目が外径の 0.8倍では明らかに短すぎ。つまりイが不適切とわかる。
ちなみに、支持点間距離は 2〔m〕が原則、合成樹脂管の 1.5〔m〕と金属ダクト・バスダクトの 3〔m〕が例外と覚える。短い分には問題ないのでロは正しい。
22.使用電圧200〔V〕の電動機に接続する部分の金属可とう電線管工事として、不適切なものは。
ただし、管は2種金属製可とう電線管を使用する。
これも、ハが明らかに間違っているからいいのだが、ボックスコネクタやカップリングの種類は、なかなか全てを把握しておくのは大変である。
23.図に示す雨線外に施設する金属管工事の末端(A)又は(B)部分に使用するものとして、不適切なものは。
エントランスキャップが雨除け機能を有することを問う出題。類題は時々有り。
24.低圧検電器に関する記述として、誤っているものは。
簡単すぎて、なんとなく引っ掛けがあるのではと勘ぐりたくなる出題だが、素直にイを選ぶべし。
25.工場の三相200〔V〕三相誘導電動機の鉄台に施設した接地工事の接地抵抗値を測定し、接地線(軟銅線)の太さを検査した。「電気設備の技術基準の解釈」に適合する接地抵抗値〔Ω〕と接地線の太さ(直径〔mm〕)の組合せで、適切なものは。
ただし、電路に施設された漏電遮断器の動作時間は、0.1秒とする。
こういうのは憶えておくしかない^^;、、、んだけど、憶えるにも憶え方というものがある。
原則として、1.6mm以下の電線を接地に使うことはない。A種は高圧機器の接地、B種は変圧器の接地、つまり電工二種ではメインディッシュにはならない。なので、設置工事としてまずはC種とD種をきちんとおぼえるべし。
C種接地とD種接地はほとんど同じ。0.5秒以内動作の漏電遮断器があれば接地抵抗は500ΩまでOK、接地電線は1.6mm。違うのは電圧(C種300V超)とそもそもの接地抵抗値(C種10Ω、D種100Ω)。
わずかこれだけの知識で、この問題に正解できる。イ、ロは電線細すぎで論外、ニは接地抵抗値高すぎ。正解はハ。
26.三相誘導電動機の回転方向を確認するため、三相交流の相順(相回転)を調べるものは。
これは説明省略、というか名前の通り。正解はロ。
27.低圧屋内配線の絶縁抵抗測定を行いたいが、その電路を停電して測定することが困難なため、漏えい電流により絶縁性能を確認した。「電気設備の技術基準の解釈」に定める絶縁性能を有していると判断できる漏えい電流の最大値〔mA〕は。
絶縁抵抗が0.1〔MΩ〕以上となるための電流値がわかれば良い。
面倒なのは単位の換算。1〔A〕= 1.0*10^3〔mA〕、1〔MΩ〕= 1.0*10^6〔Ω〕である。
100〔V〕とすれば、i〔mA〕 = (100〔V〕/ 0.1*10^6 〔Ω〕)*10^3 = 1.0〔mA〕。正解はニ。
28.電気工事士の義務又は制限に関する記述として、誤っているものは。
これは常識的に考えてもハが誤りと解るはず。
免状の申請自体、都道府県知事に行うので、書換だけわざわざ大臣様はあり得まい。
29.電気用品安全法における特定需気用品に関する記述として、誤っているものは。
の表示を付すことができる。
の表示を付すことができる。
誤っている例としてのロの文言は、出題者のお気に入りらしい。
30.一般用電気工作物の適用を受けないものは。
ただし、発電設備は電圧600〔V〕以下で、1構内に設置するものとする。
問題2.配線図(問題数20、配点は1問当たり2点)
図は、鉄筋コンクリート造の集合住宅共用部の部分的配線図である。この図に関する次の各問いには4通りの答え(イ、ロ、ハ、ニ)が書いてある。それぞれの問いに対して、答えを1つ選びなさい。

(配線図を別ウィンドウで開く)
【注意】
31.①で示す部分の地中電線路を直接埋設式により施設する場合の埋設深さの最小値〔m〕は。
ただし、車両その他の重量物の圧力を受けるおそれがある場所とする。
頻出問題。車両その他の重量物の圧力を受けるおそれがあると1.2m、その他は0.6m。正解はハ。
32.②で示す図記号の名称は。
説明略。知らなければどうにもならない。正解はイ。
33.③で示す図記号の名称は。
説明略。知らなければどうにもならない。正解はイ。
まあ、CLは Ceiling Light と予想できなくもないが。
34.④で示す図記号の器具は。
これまた、知らなければどうにもならない。正解はロ。
このコンセントにつながる大きめの破線が床隠蔽配線であると知っていればできる。しかし、床隠蔽配線を知っている人は、多分床面取付コンセントも知っているだろう。
35.⑤で示す図記号の機器は。
説明略。知らなければどうにもならない。正解はニ。
36.⑥で示す機器の定格電流の最大値〔A〕は。
問10と被る出題。gには無印、つまり15A125Vのコンセントしか接続されていないので、30A以上は流せない。よって正解はロ。
37.⑦で示す部分の接地工事における接地抵抗の許容される最大値〔Ω〕は。
なお、引込線の電源側には地絡遮断装置は設置されていない。
問25と被るが、漏電遮断器がないので全く同じというわけでもない。接地自体はD種なので基本の100〔Ω〕を選べばよい。正解はロ。
38.⑧で示す部分の最少電線本数(心線数)は。
三路スイッチの絡む回路なので、最低でも3本は必要である。電灯が左の壁際の二つだけならそのまま3本でよいが、右の壁際にも電灯があるのでスイッチの可動端から一本戻してやらないといけない。よって正解はイの4本。
とまあ理詰めでもいけるが、結局のところ複線図を書いて数えるのが一番早いと思う。幸い?この複線図は問題44と問題46でまた使える。

この問題が良心的なのは、選択肢の最小が4本であること。右側の電灯を見落としてうっかり3本の複線図を書いても、3本は選べないようになっている。
39.⑨で示す図記号の名称は。
○に黒ポチ●がスイッチとわかるのが大前提。つまり、これはスイッチの種類を問う問題である。正解はニの圧力スイッチ。
一般家庭の屋内配線ではあまり縁のない「電磁開閉器用押しボタン」「圧力スイッチ」「フロートスイッチ」「フロートレススイッチ電極」が、この配線図では全て使用されている。No.47も参照。
40.⑩で示す部分の電路と大地間の絶縁抵抗として、許容される最小値〔MΩ〕は。
こういうものには憶え方がある。対地電圧150V以下(100Vおよび単相3線式100/200V)0.1MΩ、300V以下(三相3線式200V)0.2MΩ、300V以上(400V三相4線式)0.4MΩ。100なら0.1、200なら0.2、400なら0.4。
ここは200Vの配線なので、絶縁抵抗はロの0.2MΩ以上。
41.⑪で示す部分に使用するケーブルで、適切なものは。
アース付きコンセントに気が付けば一目瞭然。正解はニ。
42.⑩で示すコンセントの電圧と極性を確認するための測定器の組合せで、正しいものは。
これは説明不要でしょう。正解はイ。
43.⑬の部分で写真に示す圧着端子と接地線を圧着接続するための工具として、適切なものは。
いつもの年だと、リングスリーブが出てきて、柄が黄色のおなじみの圧着ペンチを選ばせる出題なのだが、今年は変化球。これは「裸圧着端子」なのでハが正解。
44.⑭で示すプルボックス内の接続をすべて圧着接続とする場合、使用するリングスリーブの種類と最少個数の組合せで、適切なものは。
ただし、使用する電線は IV1.6とする。
結局、複線図を書いて数えるのが一番早いと思う。つまり問題38ができてないと、これと問題46は厳しい。

ただ、問題38同様やはり良心的な出題で、選択肢を見ればここの接続は5つとわかる(=問題38を考えるヒントになる)ようになっている。使う電線もIV1.6とあり、最大でも3本までの接続なのでリングスリーブはすべて小でOK。正解はニ。
45 ⑮で示す部分の工事において、使用されることのないものは。
金属のねじ無し管を使った天井露出配線。管が曲げてあるのでロは使う。管はおそらく切断しなければならないので、ハ(切断そのもの)とイ(バリ取り)も使う。というわけで、使わないのはニのねじ切り器。
46.⑯で示すプルボックス内の接続をすべて差込形コネクタとする場合、使用する差込形 コネクタの種類と最少個数の組合せで、適切なものは。ただし、使用する電線はIV1.6とする。
結局、複線図を書いて数えるのが一番早いと思う。つまり問題38ができてないと、これと問題44は厳しい。

こちらも良心的な出題で、問題38を4本と正解できれば選択肢をロとハの二択まで絞れる。そもそも、差込みコネクタ数が5以上になる選択肢はないので、問題38で自動的に4本を選択できるように誘導してくれている。
さらに、問題38が4本と解れば、三路スイッチ可動端から返す線にも気がついているはずで、ここの接続が3本になるのも解るはず。正解はロ。
47.⑰で示す図記号の器具は。
○に黒ポチ●がスイッチとわかるのが大前提。つまり、これはスイッチの種類を問う問題である。今回これが流行り。
ロ.フロートレススイッチ電極、ハ.フロートスイッチも、共にこの配線図で使用されている。
この二つがわからなくても、イとニに似たようなのが二つあるから、どちらかが正解だろうと絞り込める。Lが他のスイッチでも確認表示灯を意味するとわかっていれば正解できる。
48.⑱で示す地中配線工事で防護管(FEP)を切断するための工具として、適切なものは。
現物を知っている人にとってはネタ枠問題。正解はロ。
イ.パイプカッター、ロ.鉄ノコ、ハ.電工ナイフ、ニ.ケーブルカッター
49.この配線図で、使用していないものは。
毎度おなじみ"ウォーリーを探せ"。
金属管工事が行われており、イとロは明らかに使用されている。
ニのコンセントも右下で使用されている。
防雨型コンセントも使用されているが、ハのものとは形が違う。
50.この配線図で、使用していないものは。
"ウォーリーを探せ"の二問目
イのタイムスイッチとロの漏電遮断器は明らかに使用されている。
換気扇は複数あるが、いずれも天井取付型。つまりハが使用されていない。
ニは電磁開閉器。私は現物を見たことはありません。
