なにはともあれ、平成26年度上期の問題と解答を試験センターから入手してください。
問題1.一般問題 (問題数30、配点は1問当たり2点)
【注】本問題の計算で√2、√3、及び円周率πを使用する場合の数値は次によること。√2=1.41、√3=1.73、π=3.14
次の各問いには4通りの答え(イ、ロ、ハ、ニ)が書いてある。それぞれの問いに対して答えを1つ選びなさい。
1.最大値が148〔V〕の正弦波交流電圧の実効値〔V〕は。
実効値が1/√2とわかっていればただの算数の問題
わかってなくても、最大値<実効値で二択になる
適当に割り算すると、148÷1.73(√3で割る)=85.5…、148÷1.41(√2で割る)=104.9…
なお、なぜか一問目は「ロ」が多い
2.図のような回路で、端子a-b間の合成抵抗〔Ω〕は。
一見ギョッとするが、2Ω二つの並列回路と、3Ωと6Ωの並列回路とで構成される直列回路と、6Ωとの並列回路である。まずはこう読み解けねばならぬ
あとはコツコツ計算していくしかない
まずは左下、2Ω二つの並列回路。合成抵抗は1/2+1/2=1/1をひっくり返して1Ω
ついで右下、3Ωと6Ωの並列回路。合成抵抗は1/3+1/6=1/2をひっくり返して2Ω
よって下半分の合成抵抗は1+2=3〔Ω〕
あとは上の6Ωとの合成抵抗だが、さっきの計算がそのまま使えて、答えは2〔Ω〕
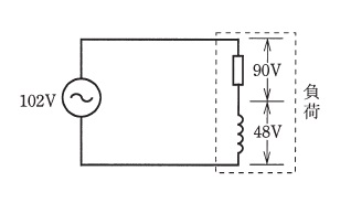
3.図のような交流回路で、電源電圧102〔V〕、抵抗の両端の電圧が90〔V〕、リアクタンスの両端の電圧が48〔V〕であるとき、負荷の力率〔%〕は。
まともにやると結構面倒だが、別にその必要はない
電源は102〔V〕あるのに抵抗には90〔V〕しかかからない。つまり90/102=0.8823…で88〔%〕
4.電気抵抗R〔Ω〕、直径D〔mm〕、長さL〔m〕の導線の抵抗率〔Ω・m〕を表す式は。
Dが直径でmm単位なのがミソ
Dはメートル換算のため1/1000倍され、表面積は半径×半径なのでさらに1/2倍された上で、それを二乗した形となって計算式に現れるハズ
つまり、D^2/4・10^6が現れる計算式から選べばよいが、この時点で既に「イ」しか残らない
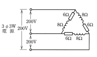
5.図のような三相3線式回路の全消費電力〔kW〕は。
6Ωと8Ωの直列は、3-4-5の直角三角形でインピーダンスを計算しろといういかにもの誘導である。この見え見えの誘いに乗れば、ここ(=三角形の一辺)のインピーダンスは暗算で10Ω
ここ(=三角形の一辺)に200Vがかかる(Δなので電圧が共通)から電流は20A。消費電力は抵抗のとこだけ計算すればいいので20*20*6=2400W。これが3個で単位はkWだから2400*3*1/1000=7.2〔kW〕
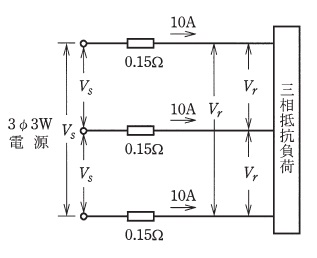
6.図のような三相3線式回路で、電線1線当たりの抵抗が0.15〔Ω〕、線電流が10〔A〕のとき、電圧降下(Vs-Vr)〔V〕は。
これは公式通りの√3ir。
1.73*10*0.15≒2.6〔V〕
7.金属管による低圧屋内配線工事で、管内に断面積5.5〔mm^2〕の600〔V〕ビニル絶縁電線(軟銅線)3本を収めて施設した場合、電線一本あたりの許容電流〔A〕は。
ただし、周囲温度は30〔℃〕以下、電流減少係数は0.70とする。
ご丁寧に電流減少係数まで書いてあるので、要は断面積5.5mm^2の電線にもともと何A流せるか?というだけの問題
8.図のように、三相の電動機と電熱線が低圧屋内幹線に接続されている場合、幹線の太さを決める根拠となる電流の最小値〔A〕は。
ただし、需要率は100〔%〕とする。
電動機の定格電流の合計は60〔A〕なので、1.1倍の方。つまり、1.1*60+15=81〔A〕
幹線の許容電流と過電流遮断器の定格電流を区別すること、そして電動機の定格電流の合計がその他の負荷の合計より大きい(この時は単純合計)か、大きければ50〔A〕以下(この時は1.25倍)かどうかに注意する。
ちなみに、需要率が100〔%〕でないと一手間余計に必要である。電動機の定格電流の合計として、単純合計値を需要率/100倍したものを用いる。
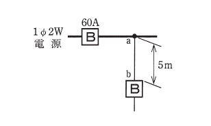
9.図のように定格電流60〔A〕の過電流遮断器で保護された低圧屋内幹線から分岐して、5〔m〕の位置に過電流遮断器を施設するとき、a-b間の電線の許容電流の最小値〔A〕は。
言い方が分かりにくいだけで、設問自体は定義通り。
原則は3〔m〕以内に開閉器&過電流遮断器、分岐した電線の許容電流が幹線の過電流遮断器の定格電流の35〔%〕以上なら8〔m〕以内、55〔%〕以上ならどこでもOKとなる。設問では5〔m〕の位置に施設したいので35〔%〕の方でよいことになる。
10.低圧屋内配線の分岐回路の設計で、配線用遮断器、分岐回路の電線の太さ及びコンセントの組み合わせとして、適切なものは。
ただし、分岐点から配線用遮断器までは3〔m〕、配線用遮断器からコンセントまでは8〔m〕とし、電線の数値は分岐回路の電線(軟銅線)の太さを示す。
また、コンセントは兼用コンセントではないものとする。
類題はさんざん出題されているので、パターンを押さえて対処すべし。
本問に関してならば、30A分岐回路には、20A未満のコンセントをつないではいけないこと、2.6mm以上の電線を用いることさえ知っていれば、あとは常識で片が付く。
11.組み合わせて使用する機器で、その組み合わせが明らかに誤っているものは。
明らかにイが誤っているので良いのだが、ロが正しいとするのは二種電工の出題としてはやや難問と思う。
12.金属管工事において、絶縁ブッシングを使用する主な目的は。
これはさすがに解説不要
13.低圧の地中配線を直接埋設式により施設する場合に使用できるものは。
埋めて良いのはケーブルだけと安易に記憶しておけば良い
14.金属管(鋼製電線管)の切断及び曲げ作業に使用する工具の組み合わせとして、適切なものは。
これもくだらない設問と思う。
15.住宅で使用する電気食器洗い機用のコンセントとして、最も適しているものは。
機器自体も設置場所も水に縁がある道具なので、接地がポイントというのは常識的に解るはず。あとはイとハだが「接地極付きコンセントが十分には普及していないので、接地端子もあった方がいい」という理由でハが正解。
16.写真に示す材料の用途は。
技能試験の練習を始めるとお馴染みになる。
17.写真に示す工具の用途は。
写真はクリックボール。なぜかこの試験ではリーマと組み合わせることになっている(少なくとも、私の持っている参考書「平成26年度版 図解第二種電気工事士 合格完全ガイド」にはそう記載されている)。
他のビットだって付けられそうなものだが、他の選択肢は用途が誤っていて除外できるようになっている。中途半端に親切な設問。
18.写真に示す器具の用途は。
左側を見るとこれ全体がスイッチっぽいと見て取れる。リレーがスイッチの一種と理解できていれば簡単なはず。
19.低圧屋内配線工事で、600Vビニル絶縁電線(軟銅線)をリングスリーブ用圧着工具とリングスリーブE形を用いて終端接続を行った。接続する電線に適合するリングスリーブの種類と圧着マーク(刻印)の組合せで、不適切なものは。
技能試験の練習を始めていれば基本中の基本なのだが、、、
電工二種ではスリーブは「小」か「中」しか使わない。
小のスリーブの刻印のみ「○」と「小」の二種類。中以上のスリーブの刻印は一種類。
「○」は1.6mm2本の時限定。1.6mm4本までは「小」、2.0mm2本までは「小」、それ以上は「中」、、さまざまな暗記法が提唱されているが、このくらい覚えておけば良い。
20.機械器具の金属外箱に施すD種接地工事に関する記述で、不適切なものは。
設問が長く、各個に適否を判断するのは結構面倒臭い。ただ、ニが明らかに不適切(水気のある場所では接地工事は省略できない)なので、問題としては易しい。
21.単相100〔V〕の屋内配線工事における絶縁電線相互の接続で、不適切なものは。
ハがおなじみの、というか出題者お気に入りの引っ掛けらしい。
22.店舗付き住宅の屋内に三相3線式200〔V〕、定格消費電力2.5〔kW〕のルームエアコンを施設した。このルームエアコンに電気を供給する電路の工事方法として、適切なものは。
ただし、配線は接触防護措置を施し、ルームエアコン外箱等の人が触れるおそれがある部分は絶縁性のある材料で堅ろうに作られているものとする。
150〔V〕越え機器の施設は最近のお気に入りのようで、手を変え品を変え出題されている。
人が容易に触れない、直接接続(コンセント駄目)、専用の開閉器&過電流遮断器、漏電遮断器の4つが条件。
23.使用電圧100〔V〕の屋内配線の施設場所による工事の種類として、適切なものは。
これも、全部覚えていて自信を持って解答しようと思うと勉強が大変。原則だけ押さえて、あとはその場で対処すべし。
線ぴやダクトは施工場所が限られる工事形態。原則として湿気の多い場所は×。残るイとハなら、条件の緩いイを選択できるだろう。
24.図のような単相3線式回路で、開閉器を閉じて機器Aの両端の電圧を測定したところ150〔V〕を示した。この原因として、考えられるものは。
これは基本中の基本ということで。
25.一般に使用される回路計(テスタ)によって測定できないものは。
絶縁抵抗が絶対測定できないかどうかはなんとも言えないが、少なくともロ、ハ、ニは測定できるので、あまり深く考えないことにする。
26.使用電圧100〔V〕の低圧電路に、地絡が生じた場合0.1秒で自動的に電路を遮断する装置が施してある。この電路の屋外にD種接地工事が必要な自動販売機がある。その接地抵抗値a〔Ω〕と電路の絶縁抵抗値b〔MΩ〕の組合せとして、「電気設備に関する技術基準を定める省令」及び「電気設備の技術基準の解釈」に適合していないものは。
これも、問題文は長いが設問はシンプル。
原則としてD種接地工事をしてある以上接地抵抗値は低くないといけない。漏電遮断器がなければ100〔Ω〕以下、この場合はあるので500〔Ω〕以下まで緩和される。ここまでで、明らかにニが適合していない。
絶縁抵抗値は最小値が基準なので、大きいぶんには問題ない。引っ掛けという程ではないが、ちょっと迷わせる出題かもしれない。
接地抵抗値は基準以下でないと駄目、絶縁抵抗値は基準以上でないと駄目。
27.絶縁抵抗計(電池内蔵)に関する記述として、誤っているものは。
はっきり言ってよくわからない。よくわからないが、この中で選ぶとしたらロくらいかな。ヘンな問題と思う。
28.電気工事士法において、一般用電気工作物の工事又は作業でa、bともに電気工事士でなければ従事できないものは。
冷静に考えればそう難しくはないが、ちょっと嫌らしい出題。
細かく見ておく
イ a?(→ちなみに電気工事士でなければNGです)、b電気工事士でなくてもOK
ロ a電気工事士でなくてもOK、b電気工事士でなくてもOK
ハ a電気工事士でなくてもOK、b電気工事士でなければNG
ニ a電気工事士でなければNG、b電気工事士でなければNG
一応、イのaがわからなくても正解は出来る。
29.電気用品安全法により、電気工事に使用する特定電気用品に付すことが要求されていない表示事項は。
又は<PS>Eの記号
これはちょっと、、、多分特定電気用品がこの視点で問われたのは初めてじゃないかな。
30.「電気設備に関する技術水準を定める省令」における電圧の低圧区分の組合せで、正しいものは。
これもさすがに説明省略
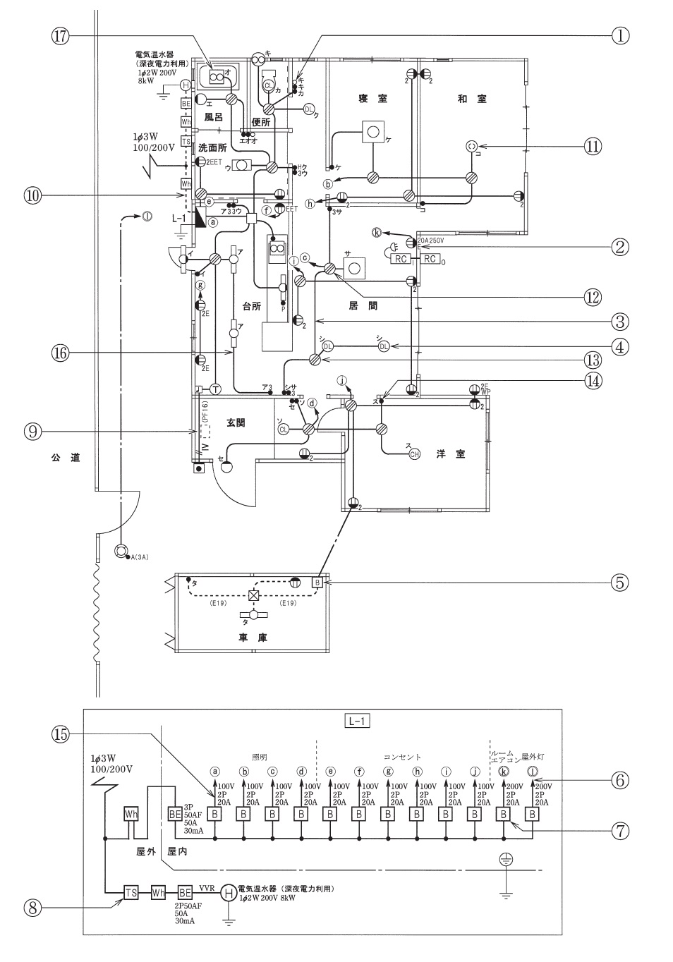
問題2.配線図(問題数20、配点は1問当たり2点)
図は、木造1階建住宅の配線図である。この図に関する次の各問いには4通りの答え(イ、ロ、ハ、ニ)が書いてある。それぞれの問いに対して、答えを1つ選びなさい。
(配線図を別ウィンドウで開く)
【注意】
31.(1)で示す図記号の名称は。
パイロットランプ
32.(2)で示す部分の接地工事の種類は。
木造一階建住宅の配線図からの出題である。電圧的にD種接地しかあり得ない。
33.(3)の部分の最少電線本数(心線数)は。
ただし、電線からの接地側電線は、スイッチを経由しないで照明器具に配線する。
No.42およびNo.43の二題もこの部に絡む出題なので、しっかり複線図を書いておいたほうがいい。
最低でも、三路スイッチが絡むので両スイッチをつなぐ2本、スイッチ「シ」への非接地側線1本、ダウンライト「シ」への接地側線1本の計4本が必要である。
あとは、実際に4本で可能かどうかだが、それこそ複線図で検証すればいい。
この部分(電源(c)からの回路)の複線図のキモは、三路スイッチ「サ」への給電線である。実は、近いからとボックス(12)から上の三路スイッチへ直接給電すると、(3)の部分の電線は5本必要になる(Fig.1)。しかし、下のスイッチボックスへまとめて給電する(スイッチ「シ」と「サ」の間は渡り線で)と、めざす4本で複線図が書ける(Fig.2)。

(Fig.1)

(Fig.2)
No.43がないと5本とやっちゃうかもしれないので、ある意味良心的である。(3)が5本のままだと、No.43で選択肢がなくなる。
34.(4)で示す図記号の名称は。
DLはDownLight。
35.(5)で示す引き込み口開閉器が省略できる場合の、住宅と車庫との間の電路の長さの最大値〔m〕は。
頻出問題。
36.(6)で示す部分の電路と大地間の絶縁抵抗として、許容される最小値〔MΩ〕は。
頻出問題。
37.(7)の部分で施設する配線用遮断器は。
100Vならば2極1素子でもいいが、ここは200Vかかっているので2極2素子でないと駄目。
38.(8)で示す図記号の名称は。
TSはTimeSwitch。
39.(9)で示す部分の小勢力回路で使用できる電線(軟銅線)の最小太さの直径〔mm〕は。
頻出問題。
40.(10)で示す部分の工事方法で施工できない工事方法は。
頻出問題。木造家屋なので引込線工事に金属管工事は駄目。
41.(11)で示す木造部分の配線用の穴をあけるための工具として、適切なものは。
和室の天井の梁ということになるかな?ここに穴を開けられるのはドリルくらいのもの。常識問題の範疇。
42.(12)で示すVVF用ジョイントボックス内の接続をすべて圧着接続とする場合、使用するリングスリーブの種類と最少個数の組合せで、適切なものは。
ただし、使用する電線はVVF1.6とする。
No.33(およびNo.43)とも関連。もちろん、正しい複線図(Fig.2再掲)が書ければほぼ解決だが、実は複線図が間違っていても(Fig.1再掲)、この問題には正解できる。
前述の通り、この部分(電源(c)からの回路)の複線図のキモは、三路スイッチ「サ」への給電線である。ただ、No.33で間違えても、ボックス12での接点数は5で不変。そして、使用ケーブルがVVF1.6なので使うスリーブも変わらない。

(Fig.2再掲)

(Fig.1再掲)
43.(13)で示すVVF用ジョイントボックス内の接続をすべて差込形コネクタとする場合、使用するコネクタの種類と最少個数の組合せで、適切なものは。
ただし、使用する電線はVVF1.6とする。
これもNo.33と関連する複線図問題。
今回はこの部分の複線図問題が3問も出題されたことになる。
前述の通り、この部分(電源(c)からの回路)の複線図のキモは、三路スイッチ「サ」への給電線である。この問題は大変親切で、No.33で5本と解答してしまうと、ここで選択肢がなくなってしまい、誤りを修正するきっかけにできる。
ボックス(12)から上の三路スイッチへ直接給電してしまうと、(3)の電線数は5本になる(Fig.1再掲)。この場合、ボックス(13)の接点の数は6(いずれも2本接続)となる。このような選択肢はないので、ここで誤りに気がつける、あるいは少なくとも考え直すきっかけにできることになる。
正しい複線図(Fig.2再掲)が書ければ問題自体は簡単である。この時ボックス(13)の接点の数は5つだから、ニ以外の選択肢はありえない。

(Fig.1再掲)

(Fig.2再掲)
44.(14)で示す点滅器の取付工事に使用する材料として、適切なものは。
素直にケーブル工事用のスイッチボックスを選びなさいということにする。
45.(15)で示す回路の負荷電流を測定するものは。
さすがにテスターでは測定できなので、素直にクランプメーターを選べばよい。
46.(16)で示す部分に使用するケーブルで、適切なものは。
三路スイッチが絡んでいるので電線が3つ必要である、と分かれば後は簡単。ロはコードなので配線には使えない。よって、ニの一択。
47.(17)で示す図記号の器具は。
風呂場の天井取付型の換気扇がこういう形をしていると知ってさえいればちょろい問題
48.この配線図で、使用しているコンセントは。
ウォーリーを探せ張りの出題。
多分、ロが引っ掛けの本命。これは15A250VEのコンセント。
49.この配線図で、使用していないスイッチは。
ただし、写真下の図は、接点の構成を示す。
これまた、ウォーリーを探せ。
三路がやたら多いが、一つはホタルと一緒にあるのでそれを見つけられれば解決。
50.この配線図の施工に関して、一般的に使用するものの組合せで、不適切なものは。
頻出。 リングスリーブ用の圧着工具は柄が黄色。これも好きですね。